一、工作原理
全程综合水处理器是针对工业、民用各种水路系统中普遍存在的四大问题:腐蚀、结垢、菌藻、机械杂质等问题。而利用德力通专利技术研制的全程综合水处理器,使水系统处理需多种多台设备改变为单台设备即可完成综合的处理任务。它应用航空领域的高技术——差转屏蔽效应及多点陈列组合,巧妙地解决了各种频谱间及与电晕效应场间的互相干扰、制约的重大难题,它具有对水质综合优化处理,防垢、除垢、杀菌、灭藻、超净过滤的功能。它具有机电一体化的设计,纯物理方式处理,无需化学药剂,阻力低,流量
大。运行管理费用极低,操作简单,维护方便,是各用水系统最佳的选择。
二、型号功能介绍
◎ A 型:防腐防垢超净过滤型
水与金属接触所产生的腐蚀,从原理上讲是电化学腐蚀即“微电池效应”全程综合水处理器工作原理就是削弱抑制微电池效应。第一是利用特定步谱转换,依据“附肌效应”原理在水管内壁形成动态的负电荷富态层,逐渐削弱、抑制电化学腐蚀。使其腐蚀产物三氧化三铁转换为稳态的四氧化三铁,达到以锈制锈的效果;第二通过换能器将特定的射频能量转换给被处理介质—水,使其分子排列有序,阻止钙镁离子形成结晶,从而达到防垢的目的。第三是利用活性铁质滤膜,机械变孔径阻挡及电晕效应场三位一体的综合过
滤体吸附,浓缩其形成水垢的目的,降低其浓度,达到控制污垢及大部分硬度垢的目的。再通过反冲洗排出水中的铁、锰离子及悬浮物、沉淀物等杂质,降低水质浊度、色度,达到降低电导率,有效地抑制电化不腐蚀的目的。
◎ B 型:杀菌灭藻超净过滤型
水中菌类、藻类生存,繁殖需要一定的环境,B 型全程综合水处理器通过高压静电场,破坏水中构成微生物细胞壁的不饱和脂肪酸,水中的微生物细胞被击穿后原生质流出而死亡,破坏了菌藻繁殖的目的,因而控制了水中藻类的生成,达到了杀菌来藻的目的;其二通过超净过滤的功能,将水中的悬浮物、杂质、部分微生物、腐殖质进行浓缩后排污,能有效降低水质浊度及COD、BOD。
◎ C 型:防腐防垢杀菌灭藻超净过滤型
在水系统需同时解决防腐、防垢、杀菌、灭藻和超净过滤的问题时,C 型全程综合水处理器是将 A、B 型综合一体,可同时完成防腐、防垢、除垢、杀菌、灭藻、降低水质浊度及 COD、BOD 的全部功能,达到全面的处理功效。
三、应用领域
冷冻、冷却水循环系统;生活用水、工业用水系统;热交换系统、游泳池循环水等。
四、功能参数
◎ 控制腐蚀率0.092mm/y,防垢除垢率≥95%,杀菌灭藻率≥98%,过滤效率≥90%
◎ 工作环境要求:-25℃~+50℃ 相对湿度≤95%
◎ 工作压力:1.0Mpa、1.6Mpa 可供选择
◎ 压力损失:0.03Mpa~0.06Mpa
◎ 工作电源:AC220V/50Hz
◎ 安全绝缘电压:5000V
◎ 工作介质温度:-25℃~+90℃
◎ 平均无故障时间:不小于80000小时
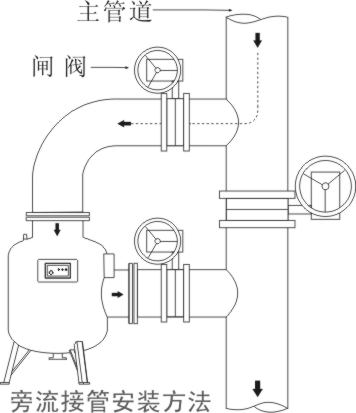
五、安装注意事项
◎ 设备主体侧端保护罩与旁通管或建筑物间的距离需大于400mm,设备主体最大外径距墙体距离需大于400mm
◎ 禁止在无水状态下长时间开启设备
◎ 设备安装形式应为旁通式安装,以满足在不停机状态下检修设备及反冲洗复活滤体的需要

六、安装参数
| 规格型号 |
进水口径(mm) |
处理流量(T/h) |
H1(mm) |
H2(mm) |
L(mm) |
D(mm) |
DN(mm) |
重量(Kg) |
功率(W) |
| DLT-ZHL50 |
50 |
12-19 |
1000 |
500 |
560 |
325 |
25 |
100 |
50 |
| DLT-ZHL80 |
80 |
20-50 |
1000 |
500 |
560 |
325 |
25 |
120 |
80 |
| DLT-ZHL100 |
100 |
50-80 |
1100 |
500 |
680 |
426 |
50 |
160 |
100 |
| DLT-ZHL125 |
125 |
80-125 |
1200 |
550 |
750 |
426 |
50 |
180 |
100 |
| DLT-ZHL150 |
150 |
125-180 |
1200 |
550 |
800 |
480 |
50 |
250 |
150 |
| DLT-ZHL200 |
200 |
180-320 |
1300 |
600 |
880 |
530 |
50 |
350 |
150 |
| DLT-ZHL250 |
250 |
320-490 |
1300 |
600 |
1060 |
630 |
50 |
400 |
200 |
| DLT-ZHL300 |
300 |
490-710 |
1600 |
780 |
1060 |
820 |
50 |
450 |
200 |
| DLT-ZHL350 |
350 |
710-970 |
1700 |
860 |
1060 |
820 |
50 |
560 |
250 |
| DLT-ZHL400 |
400 |
970-1260 |
1700 |
860 |
1060 |
820 |
80 |
620 |
300 |
| DLT-ZHL450 |
450 |
1260-1600 |
1800 |
1010 |
1220 |
920 |
80 |
700 |
350 |
| DLT-ZHL500 |
500 |
1600-1970 |
1800 |
1010 |
1320 |
1020 |
80 |
800 |
400 |
| DLT-ZHL600 |
600 |
1970-2850 |
2000 |
1080 |
1520 |
1220 |
80 |
1000 |
500 |
| DLT-ZHL700 |
700 |
2850-3880 |
2300 |
1360 |
1720 |
1420 |
80 |
1500 |
600 |
注:尺寸参数仅供参数,以出厂为准。 |